| Product | |
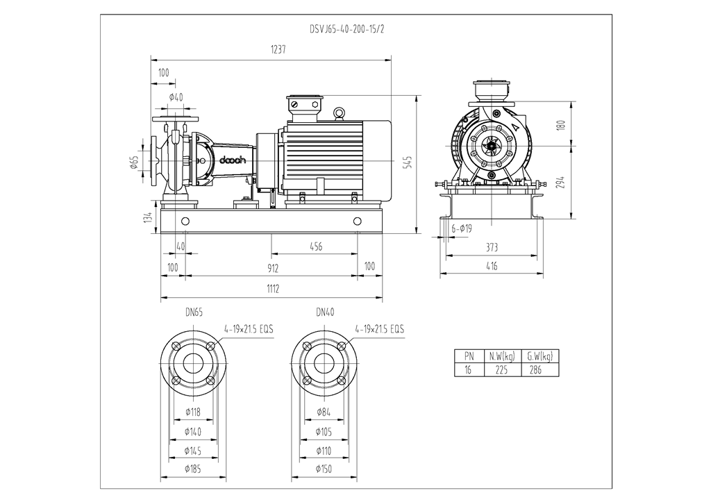
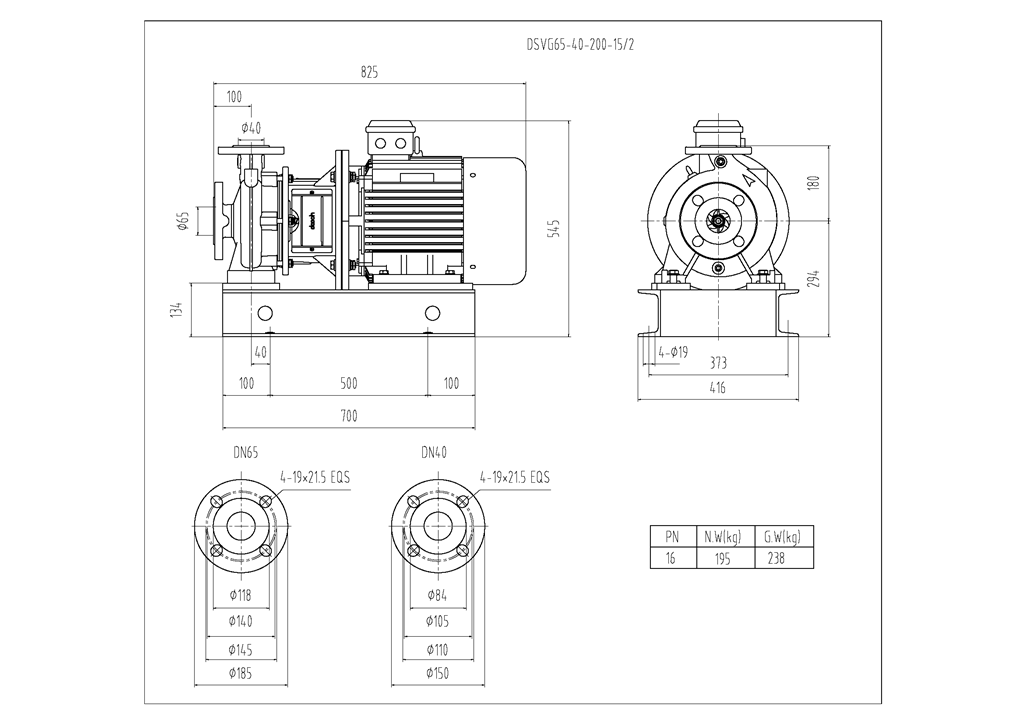
| Pump Model | DSV65-40-200-15/2 |
| Pump Type | |
| Pump Performance | |
| Rated Flow | 50m3/h |
| Rated Head | 62.4m |
| Rated Speed | 2900r/min |
| Eff. | % |
| Shaft Seal | |
| TYPE | mechanical seal |
| SIZE | m |
| MATERIAL | |
| Liquid | |
| Liquid Transport | Water |
| Liquid Temperature Range | -15-110℃ |
| Liquid Temperature | 20℃ |
| Density | 998.2kg/m3 |
| Viscosity | mm2/s |
| Solid Content | % |
| Solid Size | mm |
| Material | |
| Pump body | HT250 |
| Casing | HT250 |
| Impeller | HT250/304 |
| Shaft | 20Cr13 |
| BASE | |
| Other | |
| Net Weight | 224kg |
| Gross Weight | 284kg |
| Transport Volume | m3 |
| PUMP | kg |
| BASE PLATE | kg |
| Installation | |
| Maximum ambient temperature | 60℃ |
| Maximum operating pressure | 16bar |
| Flange standard | GB |
| Pump Inlet | DN65 |
| Pump Outlet | DN40 |
| Pressure Level | PN16 |
| COUPLING | |
| COUPLING COVER | |
| IMPELLER | |
| ROTATION VIEWED FROM DRIVER | |
| Driven | |
| End | |
| Motor | |
| MFG. | |
| Motor Model | 160M2-2 |
| ENCLOSURE | |
| R.OUTPUT | |
| Rated Power | 15KW |
| Motor Pole | 2 |
| Rated Speed | 2900r/min |
| Frequency | 50HZ |
| Efficiency | IE4 93.3% ;IE3 91.9% |
| Insulation Class | F |
| Rated Voltage | φ3x380V |
| Rated Electric | 28.4A |
| Motor Efficiency Level | IE4、IE3 |
| Protection Level | IP55 |
| Driven | |
| End | |
| ACCESSORIES | |
| COUPL.SET | |
| BASE PLATE | |
| COUNT.FLANGE | |
| PRESS.GUAGE | |
| FUNNEL | |
| SUC.STRAINER | |
| Installation Parameters | |
| Motor Power | 15 kW |
| PN | 16 bar |
| Net Weight | 224 kg |
| Gross Weight | 284 kg |