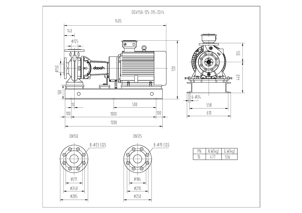
DSV150-125-315C-22/4


  • Rated Flow:205(m3/h)
  • Rated Head:27.2(m)
  • Motor Power:22(kW)
  • Rated Speed:1450(r/min)
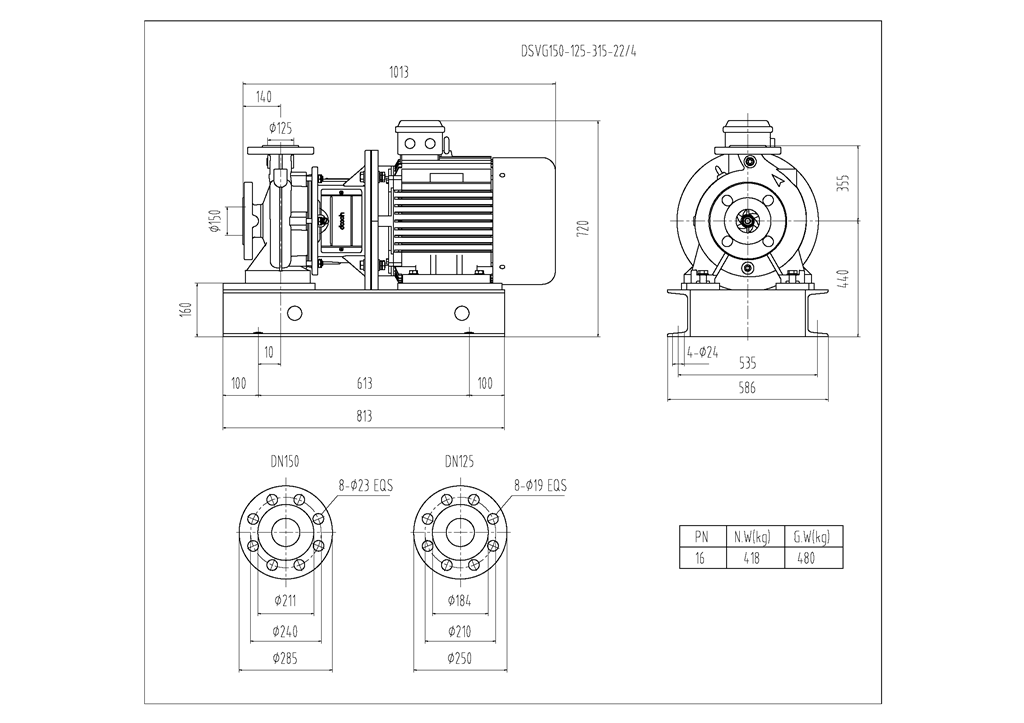
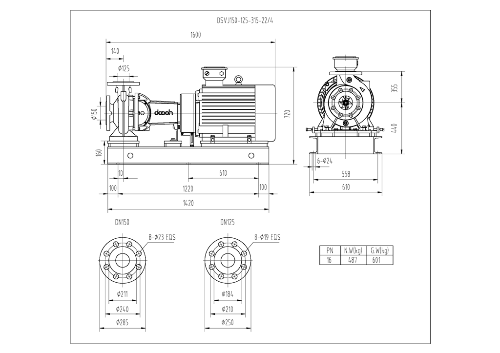
  • Inlet & Outlet:DN150/DN125
  • Inlet:DN150
  • Outlet:DN125
  • Applications: Water supply, industrial pressurization & liquid transfer,HVAC,irrigation system
Overview Description:

DSV series centrifugal pump is a new generation of single-stage single-suction pump with high efficiency, long service life and low repair rate.Its excellent hydraulic model and structural features ensure that users can reduce pump operating costs effectively

DSV150-125-315C-22/4(Motor Power22kW)
Motor Power 22 kW
PN 16 bar
Net Weight 477 kg
Gross Weight 556 kg